您当前位置:首页> 产品中心> 开关系列> 轻触开关

BST520-G520

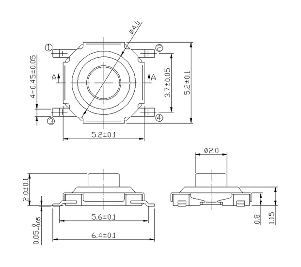
规格描述:5.2*5.2*2.0

技术参数SPECIFICATIONS

特点: 防尘 尺寸: 5.2X5.2mm 产品分类: 轻触开关 - C系列 / 5.2, 4.5, 4.8 应用 ※ 用于操作各种像音响之类的电子设备 ※ 录像机,通讯设备,相机,汽车等 ※ 家电等 特点 ※ 5.2x5.2尺寸图,适用于高密度安装 ※ 触点封装结构使开关可靠性更高 ※ 回流可焊 ※ 用12mm宽的编带包装

产品主要尺寸参考图

该产品原制造商相关文档/技术参数资料

【返回列表】

上一篇:BST310-G0.75

下一篇:BST520-G1.5

一键拨号 一键导航